|
一、概述
隨著我國經濟技術的飛速發展和建立和諧社會、節約型社會的目標的提出,人們對機電設備的節能技術和智能控制系統給予了極大的關注,提高能源利用效率,減少污染排放,建設可持續發展的工業經濟是時代的主題,工業生產高度規模化是實現節能減排目標的必然選擇,軟起動技術的產生和發展對解決工業生產高度規;媾R的保護電網、電機安全起動運轉、拖動負載機械等一系列問題,具有重要意義。
江蘇磁谷科技是全國第一家致力于繞組式永磁耦合傳動設備應用研究與開發的高新技術企業。永磁耦合軟起動器采用最新的電磁耦合技術,通過有限元以及多物理場耦合分析優化設計,使本產品結構體積小而傳遞轉矩大。永磁耦合軟起動器的控制智能化程度高,具有過載保護、溫度檢測、振動檢測以及碳刷報警等多種保護功能。
二、永磁耦合軟起動器的系統構成
三、產品工作原理和特點
1、工作原理
永磁耦合軟起動器內部分為永磁轉子和繞組轉子,依靠二者間磁場的耦合作用實現轉矩傳遞,軟起動過程如下:首先,永磁轉子與電機先行空載起動產生旋轉磁場,靜止的繞組轉子導體切割旋轉磁場磁力線,產生感應電流進而產生感應磁場,該感應磁場與永磁磁場相互作用產生轉矩同時開始旋轉,通過控制繞組轉子的電流來控制其傳遞轉矩的大小以適應轉速要求,實現軟起動功能。
以負載轉矩為額定負載為例,起動過程輸出轉矩隨時間變化曲線如下圖所示:
電機空載起動至額定轉速后,永磁耦合軟起動器開始工作,
0~t1時間段:線性增加輸出轉矩至設定值(根據不同電機型號,最大可設置到1.8~2.3倍額定轉矩);
t1~t2時間段:維持設定轉矩輸出,負載加速;
t2~t3時間段:負載加速至額定轉速后,輸出轉矩將至額定轉矩。
整個軟起動過程中,時間、轉矩均可由用戶根據不同負載情況自行設定或由永磁耦合軟起動器的控制器智能識別。
2、產品特點
● 具有離合功能,電機可以先行起動。
在很多場合,所需起動轉矩大于額定轉矩。電機空載起動,起動電流小,對電網沖擊小。普通高壓三相異步電動機起動轉矩一般只有0.6~0.8倍額定轉矩,而電機的最大轉矩卻能達到1.8~2.3倍額定轉矩。
電機先行起動后,在某些重載起動場所就可以通過永磁耦合軟起動器利用電機的最大轉矩而不是電機的起動轉矩來起動負載,從而無需采購特殊的大起動轉矩的驅動設備。
● 起動時間可控調整
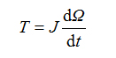
我們知道負載系統的慣性轉矩為:
其中:J——系統的轉動慣量;
Ω —— 角速度;
t ——時間。
從上式可以看出,J和Ω為恒定值,慣性轉矩T只跟系統的起動時間dt有關且成反比。
在一些大轉動慣量的場所,如果直接快速起動,慣性轉矩甚至超過負載轉矩。采用永磁耦合軟起動器就可以根據系統的轉動慣量J和起動后的角速度Ω,調整合理的起動時間dt,從而降低負載的慣性轉矩實現最小的起動功率配置;最大程度地減少起動時對設備及電網造成的沖擊,快速安全地起動負載系統。
● 具有過載保護功能且過載量可調
當系統負載發生變化時,可以任意設定最大轉矩的傳遞。當負載轉矩超過最大設定轉矩時,永磁耦合軟起動器會“打滑”,但會維持最大設定轉矩的傳遞。
● 結構簡單可靠,能適應易燃易爆、粉塵、高溫或低溫的惡劣工作環境。
● 高效轉矩傳遞(效率可達98%以上)
四、產品型號及意義
例如:YORQ400/20
表示:永磁耦合軟起動器
機座中心高:400mm
額定轉矩為:2000N•m.
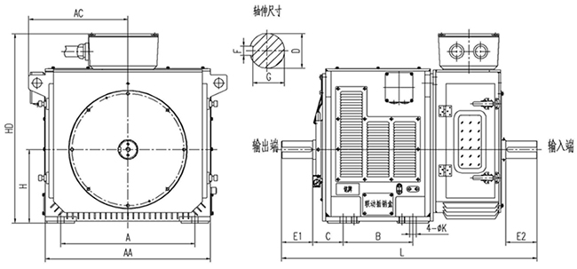
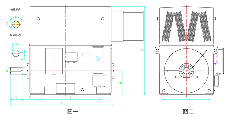
五、外形、安裝尺寸及參數
說明:1.表中D2、E2、F、G可按用戶實際尺寸制造。
2.表中沒有列出全部型號數據,更多應用請聯系江蘇磁谷科技股份有限公司。
表1 YORQ短系列永磁耦合調速器外形及安裝尺寸表(機座號355~630)

表2 YORQ短系列永磁耦合調速器與匹配電動機功率對照表

點擊下載信息采集表
|